04/2018 - 02/2019

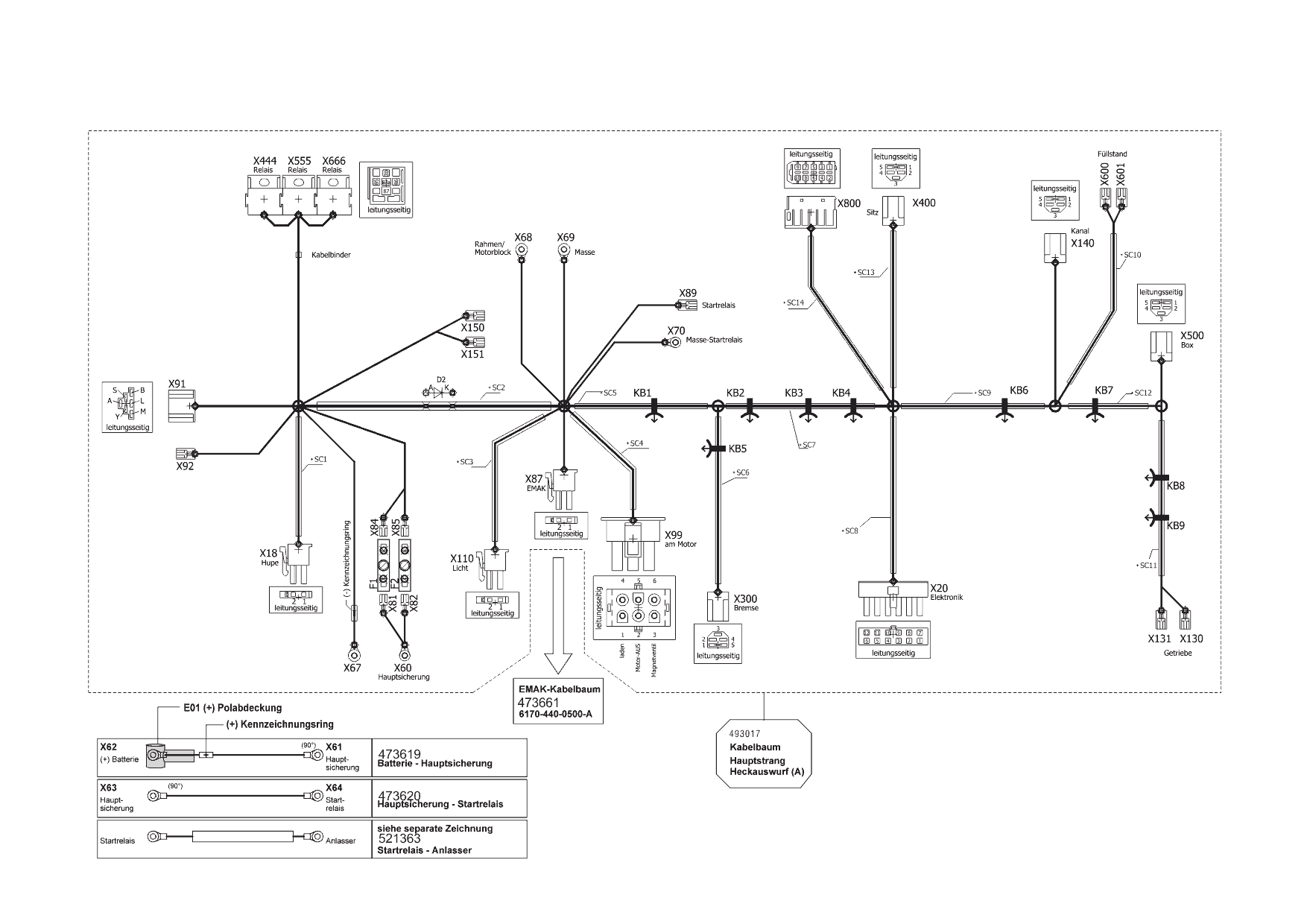
Zeichnung Solo by AL-KO Rasentraktor T16-93.7 HD V2 COMFORT (127443) 04/2018 - 02/2019:

Zeichnung 1
Zeichnung 2
Zeichnung 3
Zeichnung 4
Zeichnung 5
Zeichnung 5
Zeichnung 5
Zeichnung 5
Zeichnung 5
Zeichnung 5
Zeichnung 5

Sollten Sie Fragen zu einem Ersatzteil haben, können Sie uns gerne eine Ersatzteilanfrage stellen.

Hier finden Sie alle Ersatzteile für Solo by AL-KO Rasentraktor T16-93.7 HD V2 COMFORT (127443) 04/2018 - 02/2019:
Artikel 1 - 60 von 386