02/2018 - 02/2024

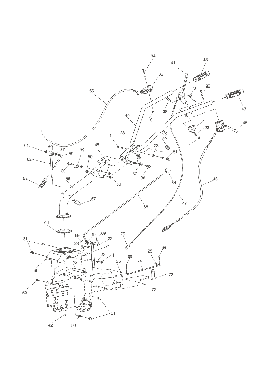
Zeichnung Solo by AL-KO Combigerät BF 5002-R I (127470) 02/2018 - 02/2024:

Zeichnung 1
Zeichnung 2

Sollten Sie Fragen zu einem Ersatzteil haben, können Sie uns gerne eine Ersatzteilanfrage stellen.

Hier finden Sie alle Ersatzteile für Solo by AL-KO Combigerät BF 5002-R I (127470) 02/2018 - 02/2024:
Artikel 1 - 40 von 124


Artikel 1 - 40 von 124