02/2015 - 03/2015

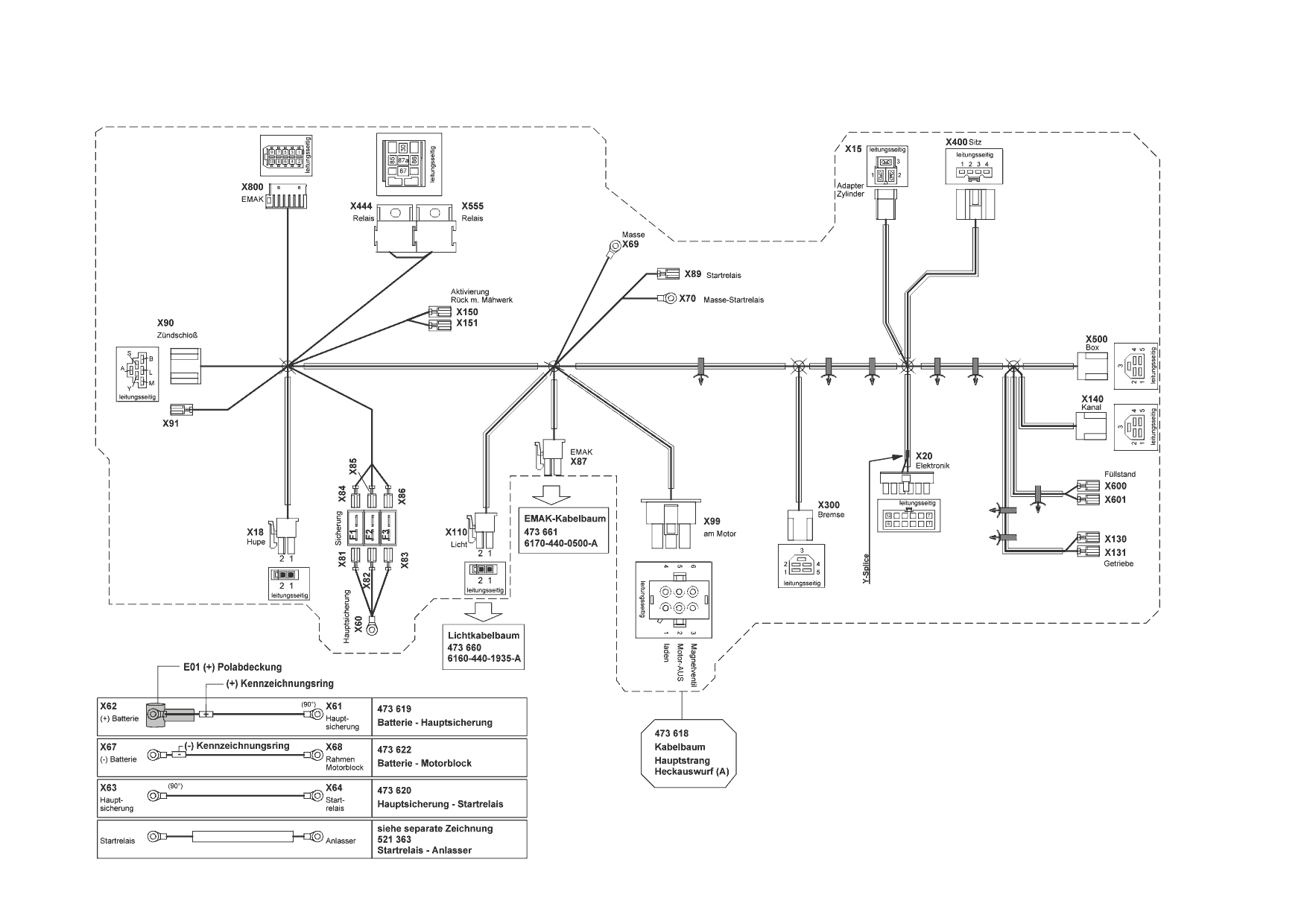
Zeichnungen von Solo by AL-KO Rasentraktor T 16-95.5 HD V2 02/2015 - 03/2015 mit der Geräte-Artikelnr. 127135:

Zeichnung 1
Zeichnung 2
Zeichnung 3
Zeichnung 4
Zeichnung 5
Zeichnung 6
Zeichnung 7
Zeichnung 8
Zeichnung 9
Zeichnung 10
Zeichnung 11

Nicht alle Ersatzteile von Solo by AL-KO Rasentraktor T 16-95.5 HD V2 (127135) 02/2015 - 03/2015 sind immer lieferbar/vorrätig.
Sollten Sie Fragen zu einem Ersatzteil haben, können Sie uns gerne Mail schreiben oder eine Ersatzteilanfrage stellen.
Ersatzteile von Rasentraktor T 16-95.5 HD V2:
Artikel 1 - 40 von 430