02/2014 - 09/2014

Zeichnung Powerline Rasentraktor T23-125.4 HD V2 (119547) 02/2014 - 09/2014:

Zeichnung 1
Zeichnung 2
Zeichnung 3
Zeichnung 4
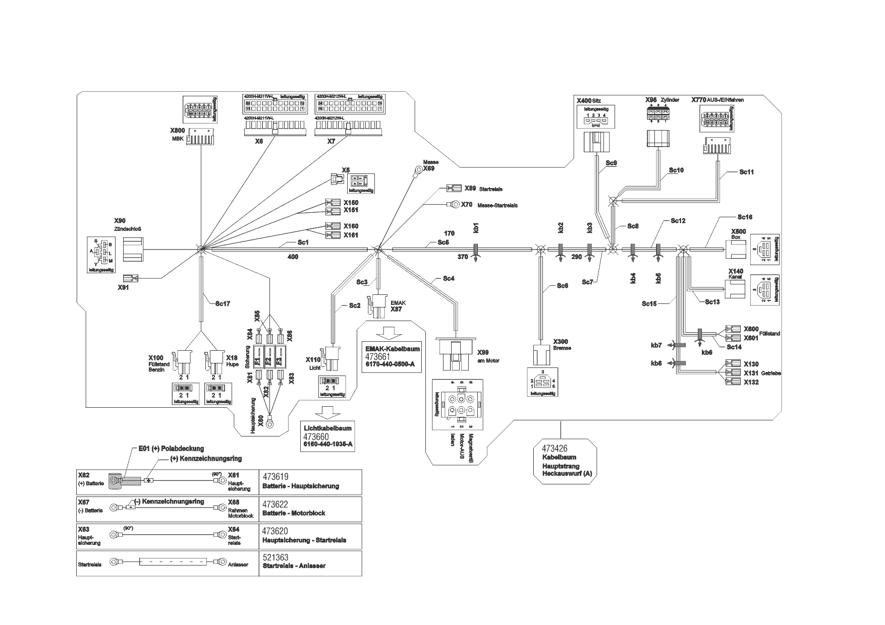
Zeichnung 5
Zeichnung 5
Zeichnung 5
Zeichnung 5
Zeichnung 5
Zeichnung 5
Zeichnung 5

Sollten Sie Fragen zu einem Ersatzteil haben, können Sie uns gerne eine Ersatzteilanfrage stellen.

Hier finden Sie alle Ersatzteile für Powerline Rasentraktor T23-125.4 HD V2 (119547) 02/2014 - 09/2014:
Artikel 1 - 40 von 467