0162 - MTP560 ab 9/2022

Ersatzteile für Scheppach Motorhacke MTP560 (Gerätenr. 59123119969) - 0162 - MTP560 ab 9/2022

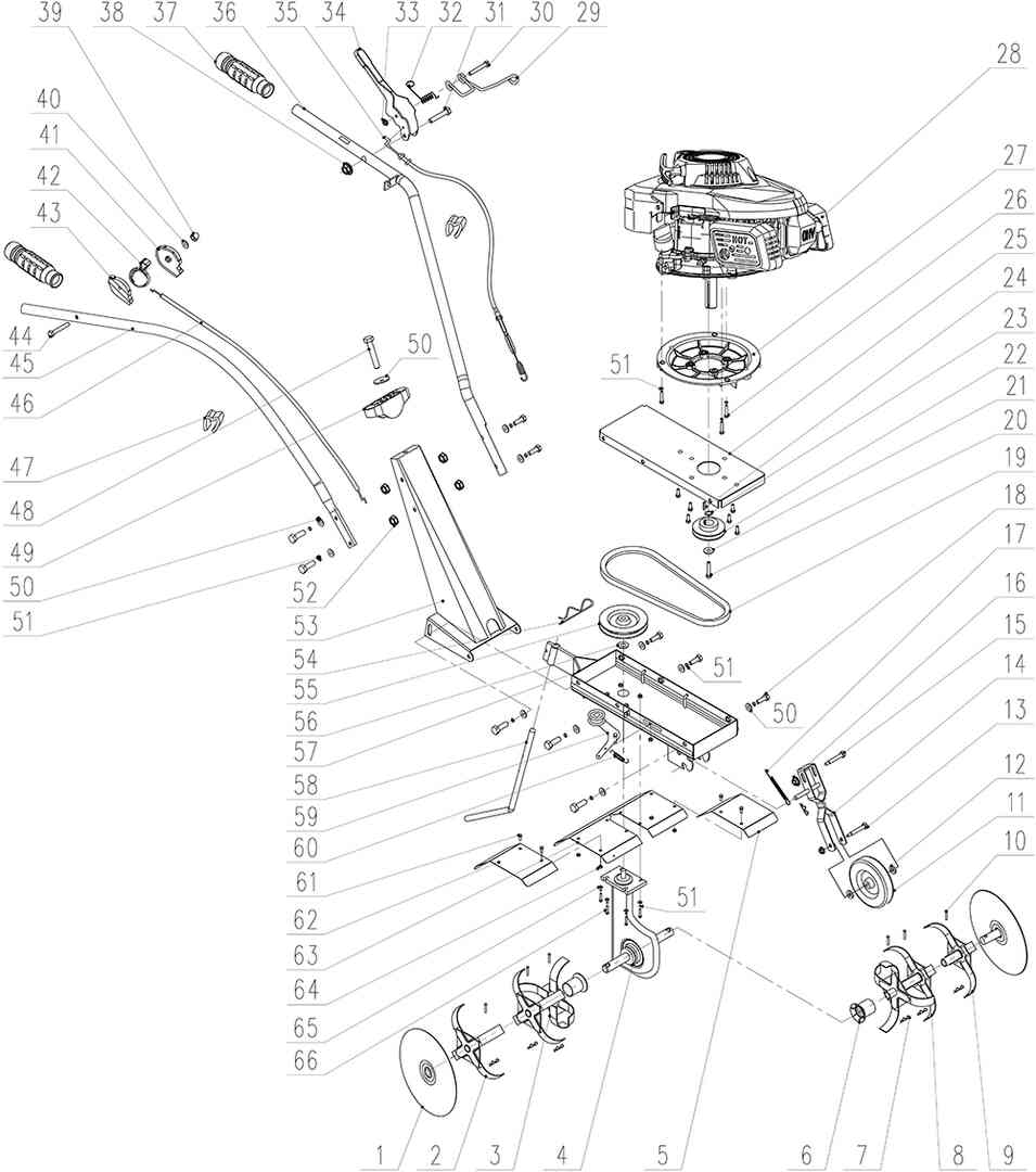
Zeichnung 01
Zeichnung 02

Sollten Sie Fragen zu einem Ersatzteil für Scheppach Motorhacke MTP560 (Gerätenr. 59123119969) haben, können Sie uns gerne eine E-Mail (mit einem Foto vom Typenschild Ihres Gerätes) schreiben oder eine Ersatzteilanfrage stellen.

Folgende Ersatzteile für Scheppach Motorhacke MTP560 (Gerätenr. 59123119969) können Sie hier bestellen:
Artikel 1 - 20 von 75