0162 - MS173-51 / MS173-51 PLUS / MD510 / MD511 - Neuer Motor ab 7/2021

Ersatzteile für Scheppach Rasenmäher MS173-51 (Gerätenr. 5911259903) - 0162 - MS173-51 / MS173-51 PLUS / MD510 / MD511 - Neuer Motor ab 7/2021

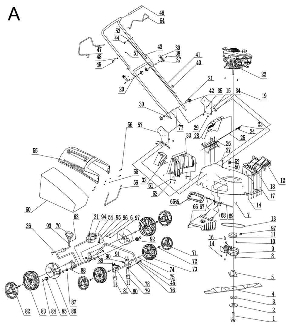
Zeichnung 01
Zeichnung 02

Sollten Sie Fragen zu einem Ersatzteil für Scheppach Rasenmäher MS173-51 (Gerätenr. 5911259903) haben, können Sie uns gerne eine E-Mail (mit einem Foto vom Typenschild Ihres Gerätes) schreiben oder eine Ersatzteilanfrage stellen.

Folgende Ersatzteile für Scheppach Rasenmäher MS173-51 (Gerätenr. 5911259903) können Sie hier bestellen:
Artikel 1 - 20 von 121