0162 - MS161-46 / TT161-46 alter Motor bis 7/2021

Ersatzteile für Scheppach Rasenmäher LM161-46S NES (Gerätenr. 5911238905) - 0162 - MS161-46 / TT161-46 alter Motor bis 7/2021

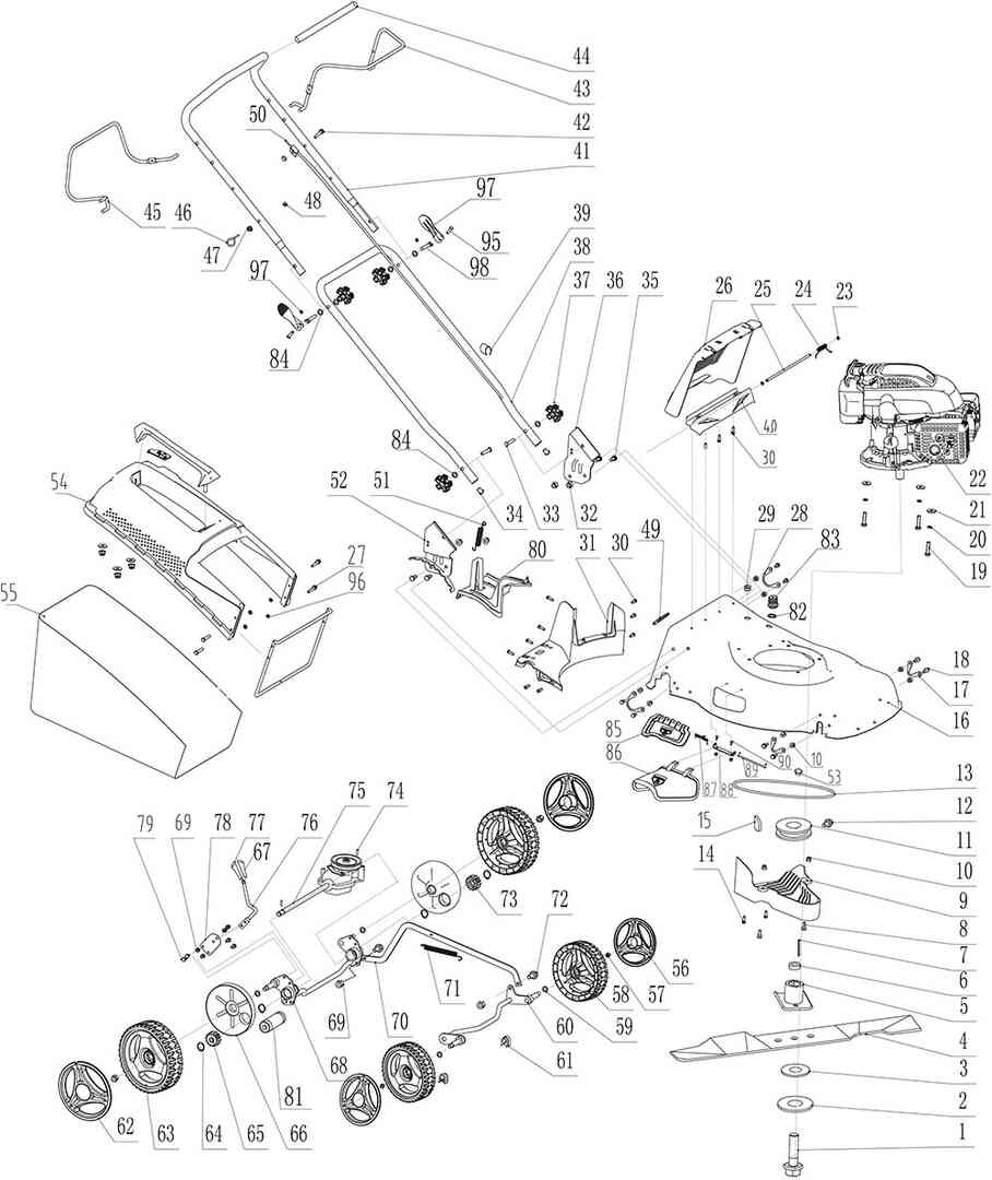
Zeichnung 01
Zeichnung 02

Sollten Sie Fragen zu einem Ersatzteil für Scheppach Rasenmäher LM161-46S NES (Gerätenr. 5911238905) haben, können Sie uns gerne eine E-Mail (mit einem Foto vom Typenschild Ihres Gerätes) schreiben oder eine Ersatzteilanfrage stellen.

Folgende Ersatzteile für Scheppach Rasenmäher LM161-46S NES (Gerätenr. 5911238905) können Sie hier bestellen:
Artikel 1 - 40 von 105


Artikel 1 - 40 von 105