0162 - MP150-46 - neuer Motor ab 7/2021

Ersatzteile für Scheppach Rasenmäher MP150-46 (Gerätenr. 5911244906) - 0162 - MP150-46 - neuer Motor ab 7/2021

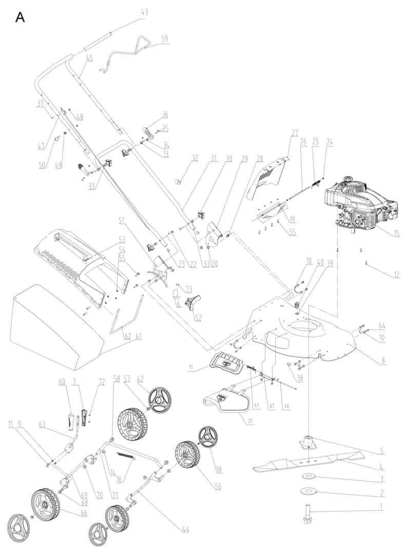
Zeichnung 01
Zeichnung 02

Sollten Sie Fragen zu einem Ersatzteil für Scheppach Rasenmäher MP150-46 (Gerätenr. 5911244906) haben, können Sie uns gerne eine E-Mail (mit einem Foto vom Typenschild Ihres Gerätes) schreiben oder eine Ersatzteilanfrage stellen.

Folgende Ersatzteile für Scheppach Rasenmäher MP150-46 (Gerätenr. 5911244906) können Sie hier bestellen:
Artikel 1 - 80 von 82

38,76 € *
Lieferzeit: 2 - 10 Werktage

Artikel 1 - 80 von 82