0162 - MP132-42 neuer Motor ab 7/2021

Ersatzteile für Scheppach Rasenmäher MP132-42 (Gerätenr. 5911248903) - 0162 - MP132-42 neuer Motor ab 7/2021

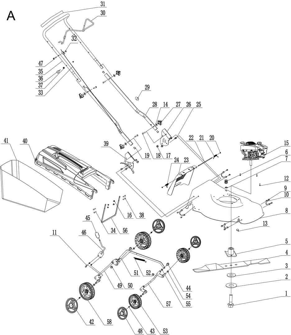
Zeichnung 01
Zeichnung 02

Sollten Sie Fragen zu einem Ersatzteil für Scheppach Rasenmäher MP132-42 (Gerätenr. 5911248903) haben, können Sie uns gerne eine E-Mail (mit einem Foto vom Typenschild Ihres Gerätes) schreiben oder eine Ersatzteilanfrage stellen.

Folgende Ersatzteile für Scheppach Rasenmäher MP132-42 (Gerätenr. 5911248903) können Sie hier bestellen:
Artikel 1 - 20 von 78