0162 - HCP2600 ab 1/2020

Ersatzteile für Scheppach Hochdruckreiniger HCP2600 (Gerätenr. 59077019944) - 0162 - HCP2600 ab 1/2020

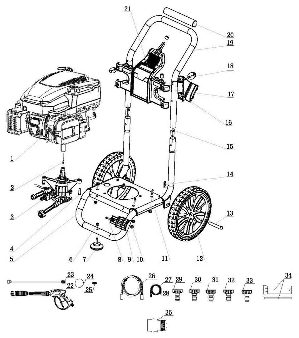
Zeichnung 01
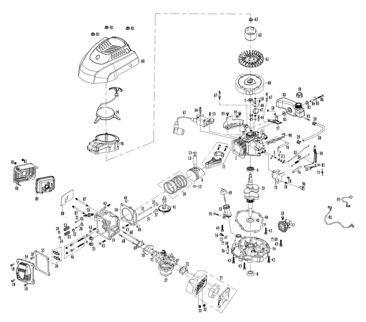
Zeichnung 02

Sollten Sie Fragen zu einem Ersatzteil für Scheppach Hochdruckreiniger HCP2600 (Gerätenr. 59077019944) haben, können Sie uns gerne eine E-Mail (mit einem Foto vom Typenschild Ihres Gerätes) schreiben oder eine Ersatzteilanfrage stellen.

Folgende Ersatzteile für Scheppach Hochdruckreiniger HCP2600 (Gerätenr. 59077019944) können Sie hier bestellen:
Artikel 1 - 80 von 84


Artikel 1 - 80 von 84