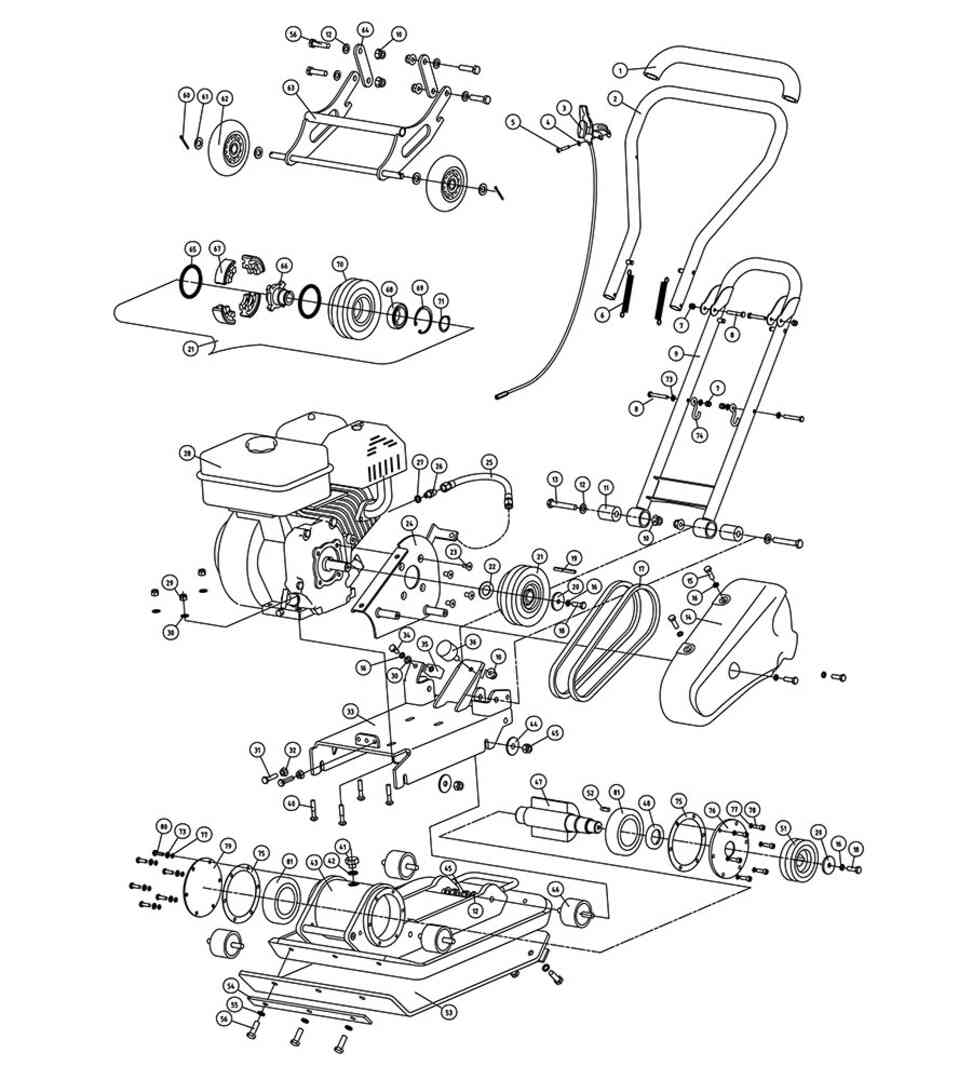
0131 - Rüttelplatte

Ersatzteile für Scheppach Rüttelplatte pc 13 Woodster (Gerätenr. 3904602000) - 0131 - Rüttelplatte

Zeichnung 01

Sollten Sie Fragen zu einem Ersatzteil für Scheppach Rüttelplatte pc 13 Woodster (Gerätenr. 3904602000) haben, können Sie uns gerne eine E-Mail (mit einem Foto vom Typenschild Ihres Gerätes) schreiben oder eine Ersatzteilanfrage stellen.

Folgende Ersatzteile für Scheppach Rüttelplatte pc 13 Woodster (Gerätenr. 3904602000) können Sie hier bestellen:
Artikel 1 - 20 von 92