0131 - Rüttelplatte ab 1/2012

Ersatzteile für Scheppach Rüttelplatte pc 11 IXES (Gerätenr. 3504601903) - 0131 - Rüttelplatte ab 1/2012

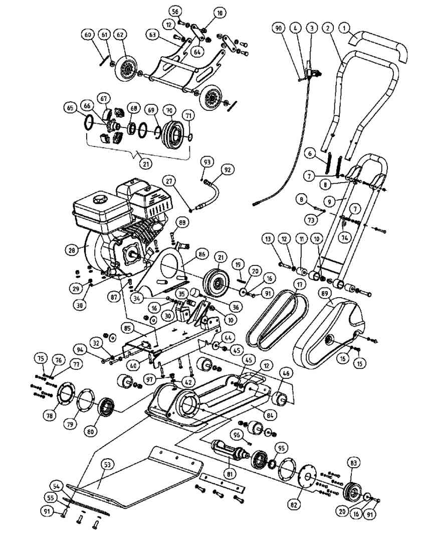
Zeichnung 01

Sollten Sie Fragen zu einem Ersatzteil für Scheppach Rüttelplatte pc 11 IXES (Gerätenr. 3504601903) haben, können Sie uns gerne eine E-Mail (mit einem Foto vom Typenschild Ihres Gerätes) schreiben oder eine Ersatzteilanfrage stellen.

Folgende Ersatzteile für Scheppach Rüttelplatte pc 11 IXES (Gerätenr. 3504601903) können Sie hier bestellen:
Artikel 1 - 20 von 73