0131 - Rüttelplatte ab 1/2012

Ersatzteile für Scheppach Rüttelplatte HP1100S (Gerätenr. 5904603966) - 0131 - Rüttelplatte ab 1/2012

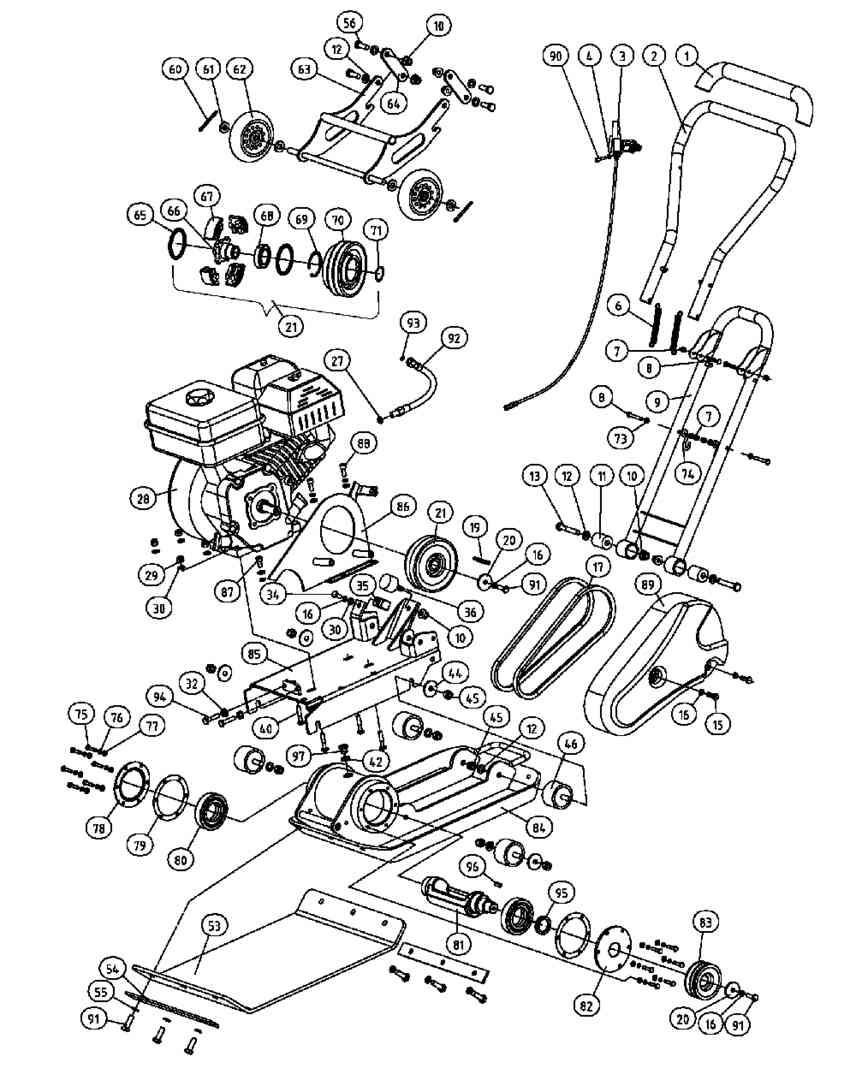
Zeichnung 01

Sollten Sie Fragen zu einem Ersatzteil für Scheppach Rüttelplatte HP1100S (Gerätenr. 5904603966) haben, können Sie uns gerne eine E-Mail (mit einem Foto vom Typenschild Ihres Gerätes) schreiben oder eine Ersatzteilanfrage stellen.

Folgende Ersatzteile für Scheppach Rüttelplatte HP1100S (Gerätenr. 5904603966) können Sie hier bestellen:
Artikel 1 - 60 von 73


Artikel 1 - 60 von 73