0110 - HM120L neue Norm ab 9/2020

Ersatzteile für Scheppach Kappzugsäge HM120L (Gerätenr. 3901216901) - 0110 - HM120L neue Norm ab 9/2020

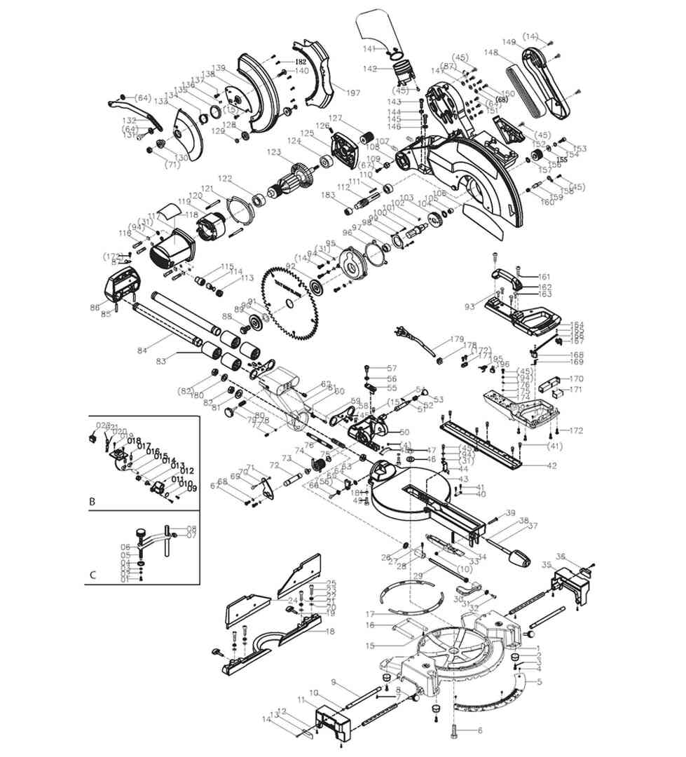
Zeichnung 01

Sollten Sie Fragen zu einem Ersatzteil für Scheppach Kappzugsäge HM120L (Gerätenr. 3901216901) haben, können Sie uns gerne eine E-Mail (mit einem Foto vom Typenschild Ihres Gerätes) schreiben oder eine Ersatzteilanfrage stellen.

Folgende Ersatzteile für Scheppach Kappzugsäge HM120L (Gerätenr. 3901216901) können Sie hier bestellen:
Artikel 1 - 20 von 97