0110 - HBS20 ab 7/2015

Ersatzteile für Scheppach Bandsäge PBS350A1 Parkside Lidl Länderblock 3 (Gerätenr. 3901511976) - 0110 - HBS20 ab 7/2015

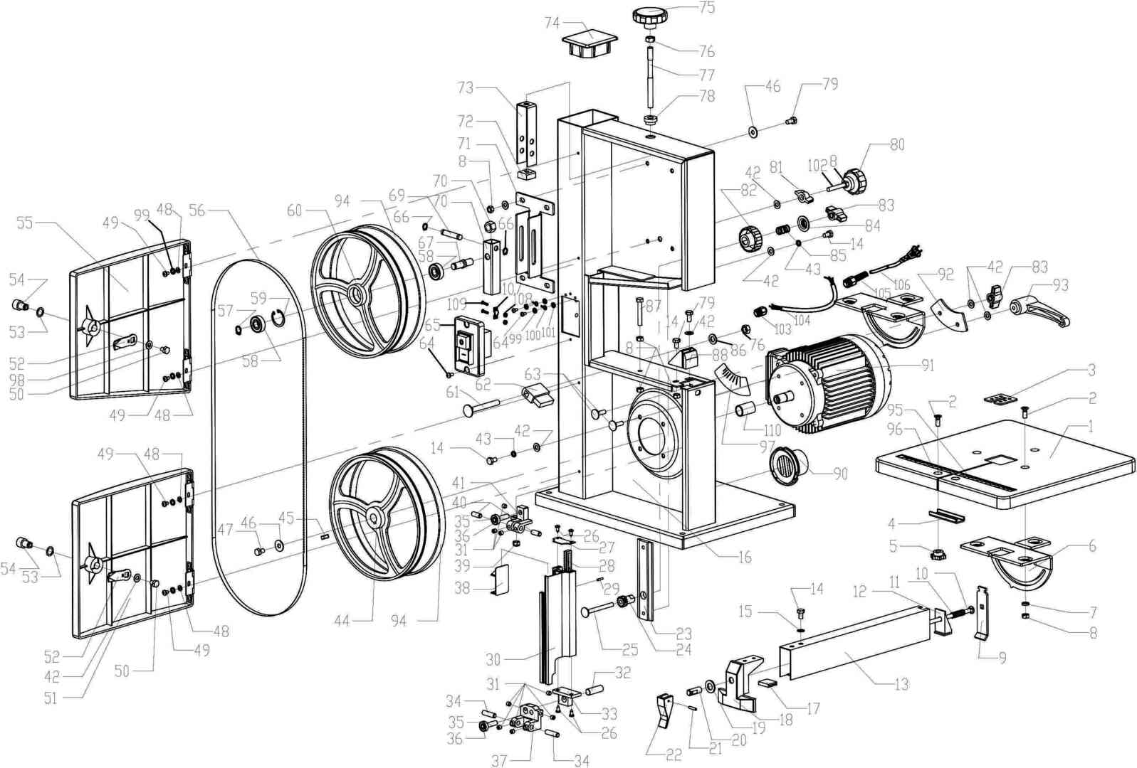
Zeichnung 01

Sollten Sie Fragen zu einem Ersatzteil für Scheppach Bandsäge PBS350A1 Parkside Lidl Länderblock 3 (Gerätenr. 3901511976) haben, können Sie uns gerne eine E-Mail (mit einem Foto vom Typenschild Ihres Gerätes) schreiben oder eine Ersatzteilanfrage stellen.

Folgende Ersatzteile für Scheppach Bandsäge PBS350A1 Parkside Lidl Länderblock 3 (Gerätenr. 3901511976) können Sie hier bestellen:
Artikel 1 - 60 von 83


Artikel 1 - 60 von 83