0110 - HBS20 ab 7/2015

Ersatzteile für Scheppach Bandsäge BS350 Kraft Norma (Gerätenr. 3901504917) - 0110 - HBS20 ab 7/2015

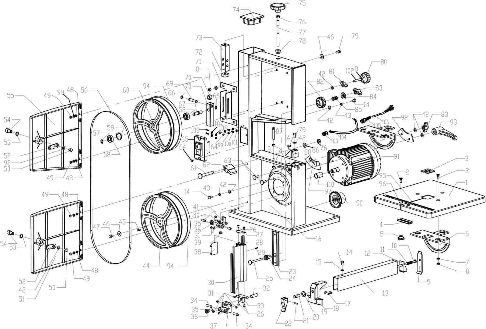
Zeichnung 01

Sollten Sie Fragen zu einem Ersatzteil für Scheppach Bandsäge BS350 Kraft Norma (Gerätenr. 3901504917) haben, können Sie uns gerne eine E-Mail (mit einem Foto vom Typenschild Ihres Gerätes) schreiben oder eine Ersatzteilanfrage stellen.

Folgende Ersatzteile für Scheppach Bandsäge BS350 Kraft Norma (Gerätenr. 3901504917) können Sie hier bestellen:
Artikel 1 - 40 von 83


Artikel 1 - 40 von 83