01/2005 - 04/2007

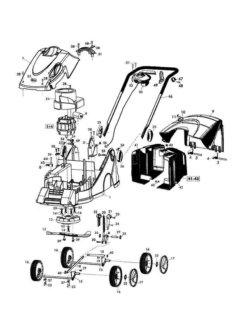
Zeichnungen von Brill Elektrorasenmäher Evolution 33 EM 01/2005 - 04/2007 mit der Geräte-Artikelnr. 134114:

Zeichnung 1

Nicht alle Ersatzteile von Brill Elektrorasenmäher Evolution 33 EM (134114) 01/2005 - 04/2007 sind immer lieferbar/vorrätig.
Sollten Sie Fragen zu einem Ersatzteil haben, können Sie uns gerne Mail schreiben oder eine Ersatzteilanfrage stellen.
Ersatzteile von Elektrorasenmäher Evolution 33 EM:
Artikel 1 - 20 von 35

4,93 € *
Lieferzeit: 2 - 10 Werktage
7,93 € *
Lieferzeit: 2 - 10 Werktage
8,93 € *
Lieferzeit: 2 - 10 Werktage
7,93 € *
Lieferzeit: 2 - 10 Werktage

Artikel 1 - 20 von 35